Обороти 35,5 об/хв на вихідному валу мотор-редуктора
В якості привода використовується електродвигун 0,55 квт 1500 об/хв
Крутний момент на вихідному валу 143 Нм
Вихідний вал мотор-редуктор 3МП-31,5-35,5 – 28 мм (8 шпонка) - циліндричний
Корпуса редуктора – чавун СЧ20
Маса мотор-редуктора 29 кг
Основні варіанти позначення мотор - редуктор 3МП-31,5-35,5-0,55
- фланцеве кріплення 3МП-31,5-35,5-0,55-G330 3МП-31,5-35,5-0,55-G320 3МП-31,5-35,5-0,55-G310

- кріплення на лапах 3МП-31,5-35,5-0,55-G110 3МП-31,5-35,5-0,55-G120 3МП-31,5-35,5-0,55-G130

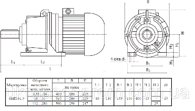
Розміри мотор-редуктор 3МП 31,5-35,5-0,75-(G310, G320, G330) креслення
Розміри мотор-редуктор 3МП-31,5-35,5-0,55-(G110, G120, G130) креслення
На замовлення ТОВ «УКРНАСОСПРОМ» виробляє мотор-редуктор 3МП 31,5-35,5 з:
- Конічним валом

|
d |
d1 |
l |
l1 |
b |
t |
|
28 |
М16х1,5 |
60 |
42 |
5 |
14,95 |
- Порожнистим валом
|
d |
l |
b |
t |
|
25Н7 |
55 |
8 |
28,1 |
Якщо вам потрібна ціна мотор-редуктор 3МП-31,5-35,5-0,55, розміри мотор-редуктора, креслення, робочі параметри мотор- редуктор 3МП-31,5-35,5-0,55 консультація або допомога в підборі ми готові Вам допомогти.
Як можна придбати мотор-редуктор 3МП-31,5-35,5-0,55
- По рахунку-фактурі з ПДВ
- По рахунку-фактурі від ФОП без ПДВ
- Післяплатою за погодженням
Чому вигідно працювати з УКРНАСОСПРОМ:
- поставляється устаткування нами завжди нове з гарантією
- ми розуміємо в насосному обладнанні і є представниками 9 заводів виробників
гнучкі умови оплати
- працюємо чесно і завжди на зв'язку
Мотор-редуктор 3МП-31,5-35,5-0,55: Полтава, Львів, Дрогобич, Стрий, Мучакево, Поляниця, Коломиї, Чернівці, Тернопіль, Почаїв, Луцьк, Рівне, Сарни, Новоград-Волинський, Коростень, Житомир, Бердичів, Хмельницький, Вінниця, Умань, Біла Церква, Фастів, Ірпінь, Київ, Бровари, Чернігів, Суми, Ніжин, Прилуки, Ромни, Лубни, Охтирка, Комсомольськ , Артемівськ ( Бахмут), Харків, Чугуїв, Слов'янськ, Лисичанськ, Краматорськ, Дніпропетровськ, Новомосковськ, Павлоград, Запоріжжя, Родзинки, Марганець, Кривий Ріг, Миколаїв, Нова Каховка, Іллічівськ ( Чорноморськ), Білгород-Дністровський, Первомайськ, Мелітополь, Маріуполь, Лозова та інші населені пункти України і Молдови.
| Основні | |
|---|---|
| Країна виробник | Україна |
| Максимальний крутний момент | 143 нм |
| Матеріал корпусу | Чавун |
| Розташування валів редуктора | Горизонтальне |
| Стан | Новий |
| Тип | Мотор-редуктор |
| Тип редуктора | Планетарний |
| Частота обертання вхідного вала | 1500 об/хв |
| Частота обертання вихідного валу | 35.5 об/хв |
| Виробник | L&L |